盾构隧道管片设计与分析软件MOLEMAN-i 概要
日本瑞穗技术研究股份有限公司经过三十多年的研发与实践,不断改进和优化而成的盾构隧道管片设计与分析软件「MOLEMAN-i」现已在中国地区推广和销售。
概要
「MOLEMAN-i」是依据日本著名盾构隧道专家村上先生(日本早稻田大学名誉教授)和小泉先生(日本早稻田大学名誉教授)的研究成果---基于梁-弹簧模型的计算法(M-K法)为基础开发的软件。该软件在日本的盾构隧道行业中已被广泛应用,并获得一致好评。
「MOLEMAN-i」可以对盾构隧道的横断方向与纵断方向分别进行内力计算与分析,是一款综合性软件。其可计算和分析盾构隧道管片的内力(轴力、剪力、弯矩)和隧道环的变形量、从而对管片、管片接头(接头螺栓、接头板)、环间接头的结构进行设计或者设计验算。
长期以来,我公司先后开发并发售了此系列盾构隧道管片设计分析软件。
本软件具有如下计算功能。
- 考虑错缝拼装的横断方向管片结构计算
- 考虑施工STEP的横断方向管片结构计算
- 考虑错缝拼装的纵断方向管片结构计算
各种计算功能条件的设置均为人机对话型。计算模型的建立,包括管片、管片接头、环间接头、地层弹簧、二次衬砌有或无、荷载工况条件、地层弹簧预先位移量、强制位移量等的输入均可通过输入界面采用--人机对话的形式进行输入和设定。计算结果输出具有图形,文本数据等输出功能。可输出结果图包括构造图、荷载工况图、地层弹簧分布状况图、地基弹簧反力图、位移图、内力图(轴力图、剪力图、弯矩图)、环接头剪力图等。结果文本文件包括所有梁单元和弹簧单元的计算结果列表。

图1 盾构衬砌结构示意图
同时,我公司还承揽盾构隧道的各种计算分析委托业务。
咨询/联络
负责:尖端技术系统Team
盾构隧道管片设计与分析软件MOLEMAN-i 概要
专业性
1) 以梁-弹簧模型(M-K法)为理论基础,可以考虑由接头引起的衬砌环的刚度降低和管片的错逢拼装效果进行结构横断方向的管片计算和分析。

2) 考虑盾构隧道施工时的各种工况,可以进行结构横断方向的分解计算。
表1 地铁车站施工步骤示意图
STEP-1
盾构隧道的施工
STEP-2
隧道内辅助梁的架设
STEP-3
地基开挖



STEP-4
临时辅助梁设置
最终地层开挖
STEP-5
隧道间连接部的施工
STEP-6
回填覆土



3) 可以对盾构隧道的纵断方向进行静力分析和动力分析。

图2 纵断方向结构模型图
便利性
1) 完全采用对话框方式进行交互输入

图3 交互输入对话框示意图
2) 可以对不同形式的盾构隧道(单圆盾构隧道,双圆盾构隧道等)的管片进行内力计算(轴力、剪力、弯矩)。




图4 任意形状的结构示意图
3) 计算结果分为表格式数据和结构图的形式。表格式数据可以转化为Excel文档,进行结果分析。绘制结构图形式可以绘制出轴力图、剪力图、弯矩图以及位移图等。




图5 计算结果图
4) 可以对管片接头弹簧、环接头弹簧,地基弹簧处进行计算分析。
依据M-K法,管片接头弹簧是以转动刚度为设计依据的,本软件具有此功能。通过对管片衬砌的结构、刚度或者是螺栓位置、强度的分析,自动算出转动刚度。本软件可以对以下材料的管片衬砌进行计算:钢筋混凝土管片(螺栓1,2或3个)、中子型管片、钢管片、铸铁管片等。同时也可以设定任意的转动刚度值。

实用性
本软件具有以下功能特征。
1) 管片以曲梁单元和直梁单元为模型,可以建立任意形状的结构形式。
2) 管片接头以轴向、径向、转动方向的弹簧刚度为模型化。
3) 衬砌环结构最多以50环为模型。环间接头以弹簧单元为模型,可以设置切线和法线方向的弹簧。
4) 地基和衬砌间的相互作用是把地基模型化,以Winkler地基理论为依据将弹簧设置为法向和切向弹簧,具有压缩、拉伸的性质。最多可以设置10种地基弹簧。
5) 荷载条件可以进行分布荷载、集中荷载、环向荷载等的设置。最多可以对10种工况荷载进行设置。



6) 可以根据每步的施工情况改变结构形式。
7) 可以算出每步施工间所产生的管片接头弹簧反力、地基弹簧反力、进行非线性计算分析。
8) 可以利用响应位移法进行抗震解析。
9) 施工中增加或者拆除部分所产生的外力,在下一步计算中可以自动加减。
10) 多步计算时,最多可以进行50步的计算。

11) 可以对近距离建筑物的影响进行解析。

12) 可以对近距离建筑物的影响进行解析。

13) 计算结果可以自动生成内力图,荷载图等图形文件
14) 计算结果可以自动生成文本文件、Excel文件。
可靠性
1) 日本著名的盾构隧道专家作指导
2) 大量的工程实践证明
咨询/联络
负责: 尖端技术系统Team
盾构隧道管片设计与分析软件MOLEMAN-i 概要
基本方法
盾构隧道结构设计的基本流程大致如下图所示。


横断方向计算
梁-弹簧结构计算模型图如下图所示。
1) 结构计算模型

2) 管片接头计算模型


3) 环间接头计算模型


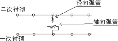
4) 一次、二次衬砌间接头计算模型


5) 地层计算模型


图23 地层弹簧模型图


纵断方向计算
梁-弹簧结构计算模型图如下图所示。
1) 结构计算模型

2) 纵断方向环间接头计算模型


3) 次、二次衬砌间接头计算模型


4) 纵断方向地层计算模型

咨询/联络
负责:尖端技术系统Team
1) 双圆盾构隧道的管片计算结果

2) 考虑施工工况的多步计算分析
按照以下各步施工过程进行的结构计算分析及其结果。
STEP-1 结构断面图
STEP-2 结构断面图
STEP-3 结构断面图



STEP-4 结构断面图
STEP-5 结构断面图
STEP-6 结构断面图



STEP-1 管片弯矩图
STEP-2 管片弯矩图
STEP-3 管片弯矩图



STEP-4 管片弯矩图
STEP-5 管片弯矩图
STEP-6 管片弯矩图



咨询/联络
负责:尖端技术系统Team